Валюта:
Виробник Номер Назва ІС Днів К-ть Ціна
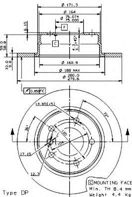
AP 14870 V Тормозной диск