Валюта:
Виробник Номер Назва ІС Днів К-ть Ціна
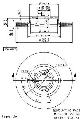
AP 24969 Тормозной диск