Валюта:
Виробник Номер Назва ІС Днів К-ть Ціна
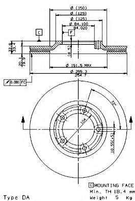
BRECO BS 8075 Тормозной диск