Валюта:
Виробник Номер Назва ІС Днів К-ть Ціна
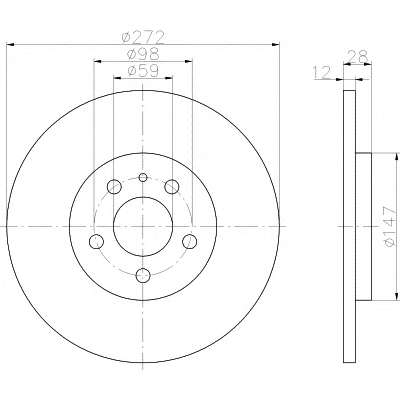
MINTEX MDC1599 Тормозной диск