Валюта:
Виробник Номер Назва ІС Днів К-ть Ціна
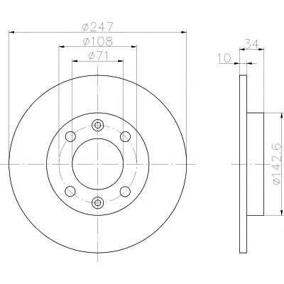
MINTEX MDC699 Тормозной диск