Валюта:
Виробник Номер Назва ІС Днів К-ть Ціна
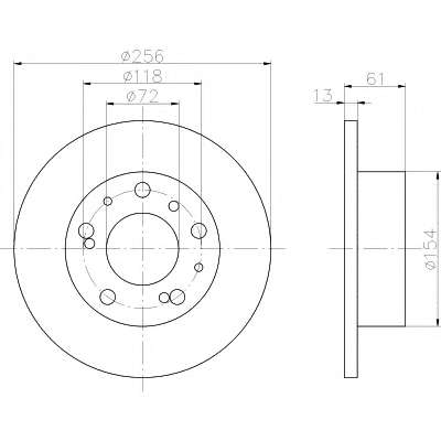
PAGID 50907 Тормозной диск