Валюта:
Виробник Номер Назва ІС Днів К-ть Ціна
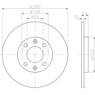
PAGID 52504 Тормозной диск