Валюта:
Виробник Номер Назва ІС Днів К-ть Ціна
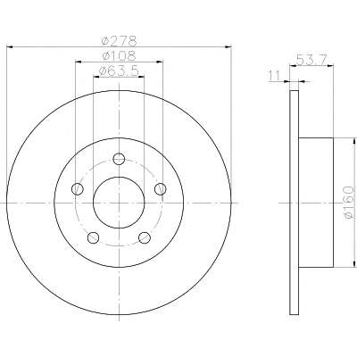
PAGID 54249 Тормозной диск