Валюта:
Виробник Номер Назва ІС Днів К-ть Ціна
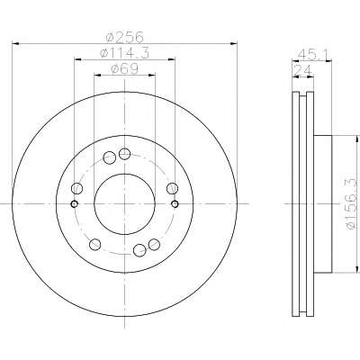
TEXTAR 92063000 Тормозной диск