Валюта:
Виробник Номер Назва ІС Днів К-ть Ціна
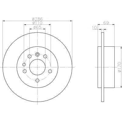
TEXTAR 92100200 Гальмівний диск