Валюта:
Виробник Номер Назва ІС Днів К-ть Ціна
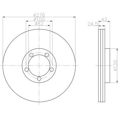
TEXTAR 92110000 Тормозной диск