Валюта:
Виробник Номер Назва ІС Днів К-ть Ціна
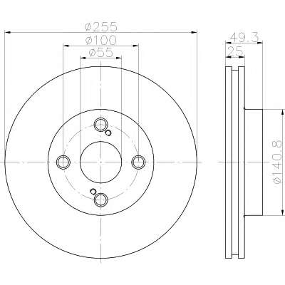
TEXTAR 92125900 Тормозной диск