Валюта:
Виробник Номер Назва ІС Днів К-ть Ціна
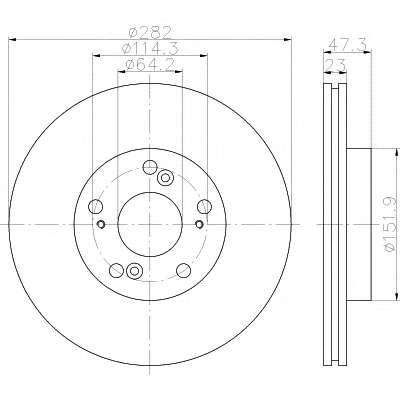
TEXTAR 92128403 Тормозной диск